Начало     Проектирование     Готовые проекты     Изготовление     Информация     График работ     Контакты    

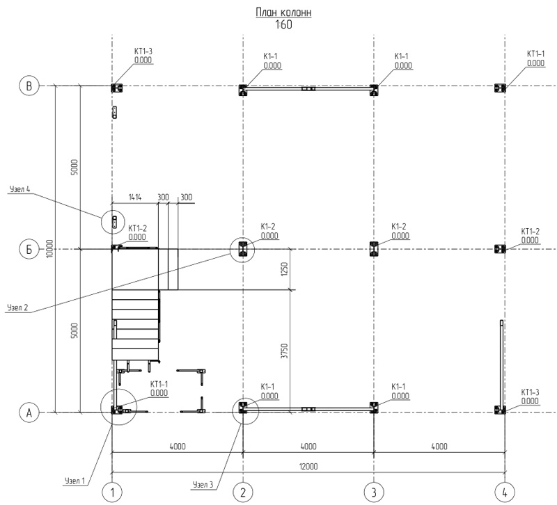
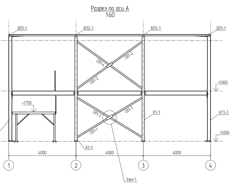
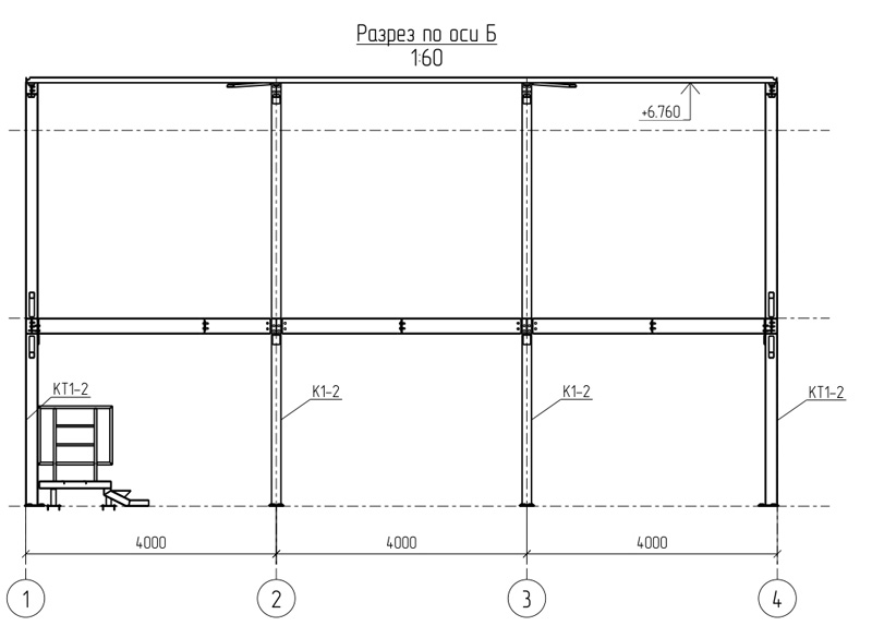
10х12м два этажа. г. Москва (Готовый проект КМ, КМД, КЖ плита)

 

Рассчитан под изготовление на месте - всё на болтах, кроме прогонов и связей.
Для снеговых районов – III
Для ветровых районов –  I


Общая площадь - 240 м2
Металлоемкость каркаса  – 8442 кг, 35,18 кг/м2.
Кровля и стены - сэндвич-панели
Перекрытие - деревяный пол (масса - 40кг/м2). Нагрузка на перекрытие 350кг/м2
Фундамент - плита